半導体
MOSFET:ローム AW2K21 パッケージ/MOSFET解析レポート
![]() |
![]() |
| AW2K21 WLCSPパッケージ | (引用)データシートより(URLは下記参照) |
レポート概要
スマートフォンや小型電子機器における急速充電の需要が高まる中、低消費電力かつ省スペースに貢献するパワー半導体が求められています。
ロームが販売する新製「AW2K21」は、独自のトランジスタ構造を採用することで、2つのMOSFETを1つのWLCSPに集約し、超小型化による実装スペースの削減を可能にしています。
また、業界トップクラスの30V耐圧の低オン抵抗を実現しており、スマートフォンなどの小型機器におけるUSB急速充電に最適な設計となっています。
本レポートでは、平面レイアウト/断面構造解析を行い、上記を実現したローム独自のトランジスタ構造(縦型トレンチMOS技術)を明らかにしています。
製品特徴
| 型番:AW2K21 VDD=30V ID=±20A RDD(on) =4.0 mΩ(Max.) 製品リリース日:2025年4月 |
データーシート:https://fscdn.rohm.com/jp/products/databook/datasheet/discrete/transistor/mosfet/aw2k21ar-j.pdf
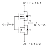
- コモンソース回路により、1つで双方向の回路保護が可能。
MOSFETが2つ必要だった従来の受給電回路と比べて部品面積を大幅に削減。 - アプリケーション: スマートフォン、VR(Virtual Reality)ゴーグル、小型プリンター、タブレット、ウェアラブル端末、液晶モニター、ノートパソコン、ポータブルゲーム機、ドローン、その他急速充電機能を搭載する小型機器などに幅広く使用可能。
レポート内容&価格
構造解析レポート: 価格¥500,000(税別) 発注後1weekで納品
- 平面解析の結果から各層レイアウト解析を実施しています。
- 断面解析の結果から本製品の特徴であるローム独自のTr.構造(縦型トレンチMOS技術)を確認しています。
レポートパンフレット
![]()
25R-0127-1 Br-L2 MOSFET:ローム AW2K21 構造解析レポート (Release)
・その他、当社のレポートは こちらで検索できます。











